Saturday, October 20, 2012

0 Nissan Xterra WD22 2003 Repair Manual

Make: Nissan
Model: Xterra WD22 Series
Year: 2003


Contains the following information and repair for:

  • General Information
  • Engine Systems
    -Engine mechanical, engine lubrication, engine cooling, engine control system, fuel, exhaust, accelerator control
  • Transmission / Transaxle
    -clutch, manual transmission, automatic transmission
  • Driveline/Axle
    -transfer, propeller shaft, front final drive, rear final drive, front axle, rear axle
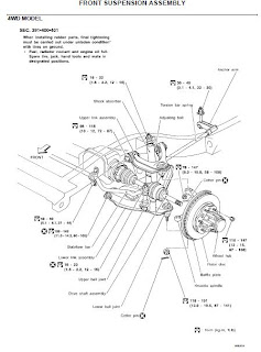
  • Suspension
    -front suspension, rear suspension, road wheels and tires
  • Brakes
    -brakes system, parking brake system, brake control system
  • Steering
    -power steering system
  • Restraints
    -seat belts, supplemental restraint system
  • Body
    -body, lock and security system, glasses, window system and mirrors, roof, exterior and interior, instrument panel, seat
  • Air Conditioner
    -manual airconditioner
  • Electrical
    -starting and charging system, lighting system, driver information system, wiper, washer, horn, body control system, audio visual and telephone system, auto cruise control system, power supply and circuit elements
  • Maintenance
  • Index
File Size: 44 MB
File Type: PDF, ZIP

Advertisement:

0 comments:

Post a Comment

Note: Only a member of this blog may post a comment.

 

2012 BY ManualTransformerOnline Manual Sharing